SHP03
Hydraulic Filter > In-Line Filter > High pressure
SHP03
LINS high pressure in-line filter SHP03 is design for directly thread fitting with a hydraulics or lubrication applications. SHP03 filter is used to protect an individual valves or the hydraulics systems, ensure the long hydraulic service life and reduced maintenance cost.
━Rating
Operating pressure: 280 bar (4000 psi)
Max. operating pressure : 350 bar (5000 psi)
Element ∆P : 210 bar
Flow Rate : 3.5-15 LPM
━Material of construction
Head: Steel
Housing: Steel
█ MODEL CONFIGURATION
|
SHP03 |
- |
3 |
- |
A3 |
- |
AE |
- |
N |
|
① |
② |
③ |
④ |
⑤ |
①: Series: Steel in-lin filter
②: Length
|
Code |
Length (mm) |
Weight (kg) *without element |
|
3 |
130 |
2.3 |
③: Filtration Element
|
Code |
Flow rate (LPM) |
Filtration Rating |
|
Length |
||
|
A03 |
3.5 |
Microfiber 3μm, β≧1000 |
|
A06 |
5 |
Microfiber 6μm, β≧1000 |
|
A10 |
7 |
Microfiber 10μm, β≧1000 |
|
A25 |
10 |
Microfiber 25μm, β≧1000 |
|
T40 |
15 |
Microfiber 40μm |
* This table display a part of filter elements.
If other filtration rating is required, please contact factory.
④: Indicator
0 : None, with plug
AV : Visual indicator
AE : Electrical/Visual indicator
Standard pressure setting at 3 or 4 bar, must be specified at time of order.
For indicator cavity and more details, see indicator page.
⑤: Seal
N: NBR V: Viton
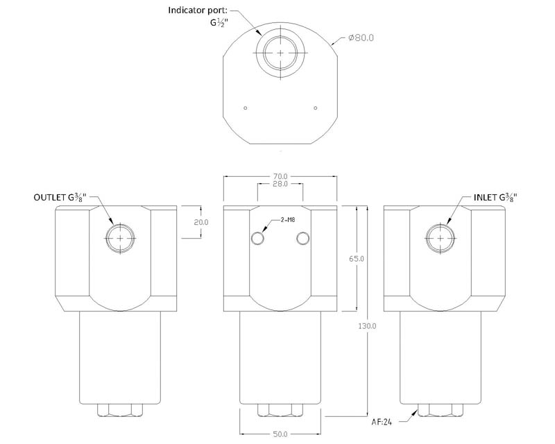
█ DIMENSIONAL DRAWING (mm)

█SYMBOL
